Specification
Model | U7618 | U7623 | U7636 | |
DC Voltage(VDC) | 48 | 48 | 48 | |
Rated Output(W) | 282.7 | 392.7 | 660 | |
Rated torque(N.m) | 0.9 | 1.25 | 2.1 | |
Instant Max Torque(N.m) | 2.7 | 3.75 | 6.3 | |
Rated Current(A) | 8.2 | 10.5 | 16 | |
Instant Max Current(A) | 24.5 | 31.5 | 48 | |
Rated Speed(rpm) | 3000 | 3000 | 3000 | |
Maximum Speed(rpm) | 4500 | 4500 | 4500 | |
Torque Parameter(Nm/A) | 0.11 | 0.119 | 0.131 | |
Rotor inertia(kg.m²) | 0.484 | 0.675 | 1.254 | |
Back EMF coefficient(Vrims/KRPM) | 7 | 7.5 | 8.5 | |
Coil resistance(ohms@20℃) | 0.42 | 0.28 | 0.15 | |
Coil Inductance(mH) | 0.3 | 0.34 | 0.22 | |
Number of pole-pairs(2P) | 10 | 10 | 10 | |
Weight(g) | 245 | 350 | 606 | |
Cogging Torque(mN.m) | 27(REF.) | 40(REF.) | 63(REF.) | |
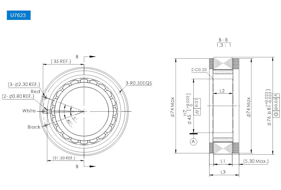
Size(mm) | L1 (Stator stack height) | 10 | 14.5 | 27.5 |
L2 (Rotor height) | 11 | 15.5 | 28.5 | |
L3 (Overall height) | 18.9 | 23.7 | 36.9 |
Drawing



Case studies (Customized frameless motors developed with our clients)
Additional Info
The U76-Series frameless stator-rotor installation kits developed by Mosrac's R&D team utilize integrated engineering, built and used in the most demanding environments; the motors offer market-leading torque density, exceptional precision, and outstanding overload capacity, all within an ultra-compact space.
Benefits:
▪︎ High torque torque-to-inertia ratio for quick responsiveness and precision control
▪︎ High torque density in a space-saving package
▪︎ Large rotor interior diameter for convenient cable routing
▪︎ Standard lead lengths
▪︎ Low cogging torque for a smooth, steady operation
▪︎ Constructed with corrosion-inhibitive materials
▪︎ Supported by rigorous testing for performance and reliability
▪︎ Manufactured by the world's most comprehensive electric motor manufacturer
▪︎ On-hand Inventory availability and short lead times
▪︎ Class F insulation
▪︎ CE, RoHS, REACH Compliant
▪︎ Custom Designs Available
Applications:
▪︎ Machine tool
▪︎ Packaging
▪︎ Robotics
▪︎ Semiconductor
▪︎ Automotive
When to Use:
▪︎ Substantial cost savings
▪︎ Decreased mechanical complexity
▪︎ Enhanced flexibility in design
▪︎ Exceptional performance in a compact space
▪︎ Improved dynamic response
▪︎ Minimum motor size in each application
▪︎ Low cogging for smooth operation
▪︎ Low inertia allows for quicker acceleration
Download
U7618 Torque Motor Catalog.pdf
OD: 76mm|Height: 18.6mm
U7623 Torque Motor Catalog.pdf
OD: 76mm|Height: 23.1mm
U7636 Torque Motor Catalog.pdf
OD: 76mm|Height: 36.7mm
U76 Series Brushless Frameless DC Motor Catalog.pdf
OD: 76mm|Height: 18.6~23.1~36.7mm optional
OD: 76mm|Height: 18.6mm
OD: 76mm|Height: 23.1mm
OD: 76mm|Height: 36.7mm
-
-
-
-
Frequently bought together - Magnetic encoders
Direct drives need high-quality position signals to ensure optimal performance. Perfect measuring signals can enhance the surface quality of machined workpieces, reduce the machine frame's vibrations, minimize velocity-dependent motor noise, and prevent excessive heat generation in the motor.
Mosrac recommends using a magnetic encoder to enhance the accuracy, speed stability, and thermal behavior of direct drive axes. Because there is no mechanical transmission between the encoder and the feed unit, the position signals are not susceptible to inaccuracies or delays.
Custom combinations are available on request and contact us.
Previous